产品
磁芯
锰锌铁氧体磁芯
镍锌铁氧体磁芯
非晶纳米晶磁芯
铁粉芯磁芯
铁硅铝磁芯
关于我们
关于德亿来
为什么选择德亿来
成为经销商
招贤纳士
资料
产品证书
新闻和事件
目录和手册
行业和应用
视频
联系我们
登录
登录
注册
发送询问
CN
EN
Russian
清除所有
返回上一级
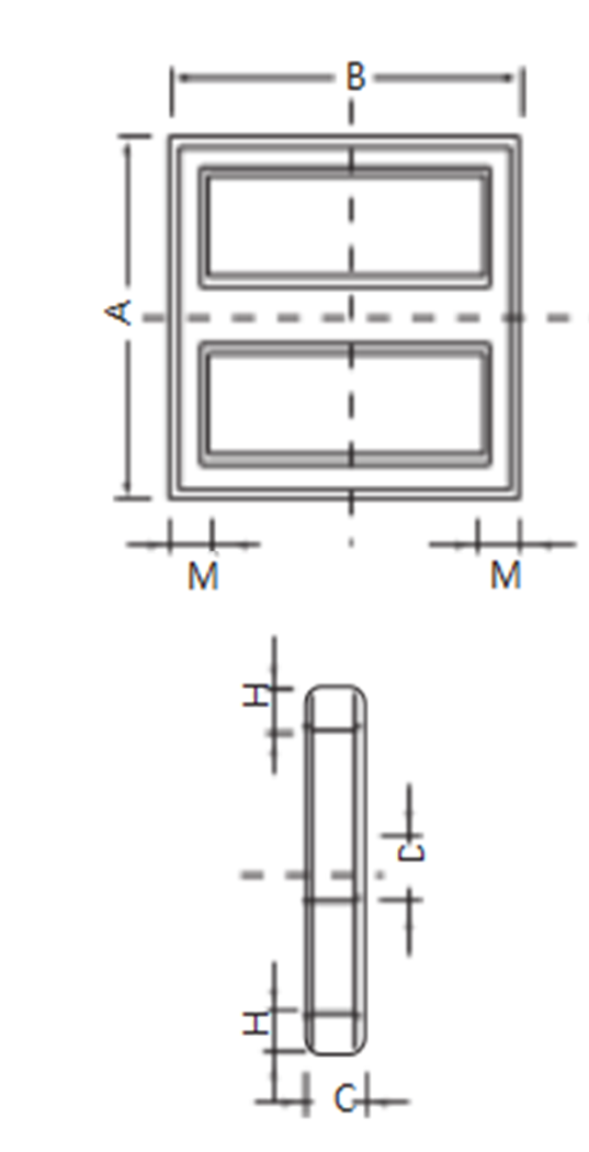
ET 型磁芯
ET 型磁芯尺寸图
法律声明
网站地图
流量统计
隐私条款
DEYILAI 上海德亿来电子有限公司 沪ICP备2024045426号-1
在线留言
在线留言
*
*
微信